TELEPHONE TONE RINGER
DESCRIPTION
The UTC 31002A is a bipolar integrated circuit designed for
telephone bell replacement. It can also be used as alarms or other
alerting devices.
FEATURES
*Designed for telephone bell replacement.
*Low current drain for multiple extension of lines.
*Adjustable 2-frequency tone.
*Adjustable warbling rate.
*Built-in hysteresis prevents false triggering and rotary dial 'CHIRPS'.
*Programmable for initiation current by simple external resistor
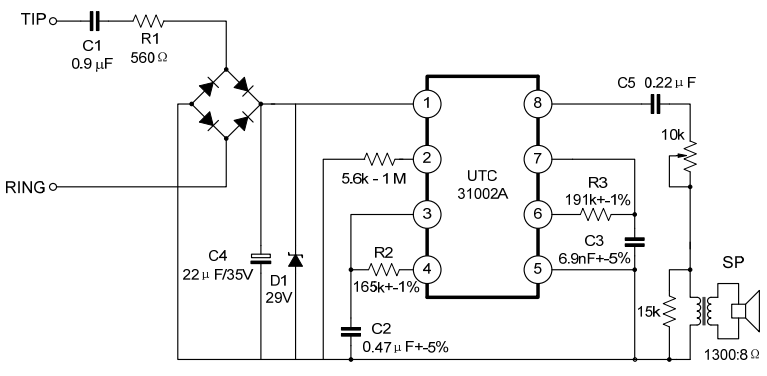
TYPICAL APPLICATION CIRCUIT
 |