5 DOT LED LEVEL METER
DESCRIPTION
The UTC A6966 is designed for 5 LED level meter driver in 9 lead
SIP package. It consists of one input amplifier and five comparators
for LED level indication.
FEATURES
* Low Spurious Noise Operation.
* Constant Current Output: IOUT=8mA (Typ.)
* Indication Level Steps: 5dB, 5dB, 3dB, 3dB
* Wide Operating Supply Voltage Range: VCC = 4~ 12V
* Variable Input Amplifier Gain: GV = 0 ~ 20dB
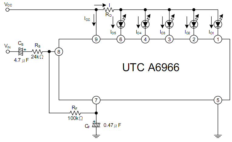
APPLICATION CIRCUIT
 |