DUAL POLARIZATION AND TONE SWITCH CONTROLLER
DESCRIPTION
The UTC L8312 is specially designed integrated circuit for
control satellite receiver front-end block switch and provides
customers with dual independent channel of two-control signal:
polarization and tone switch controller for LNB switch signal path selection.
The UTC L8312 is characterized by its two independent
channels and each provides logical outputs to show status of LNB
switch polarization selection and 22 KHz tone signal.
Minimum number of external discrete components and the wide
range of supply voltage make this device suitable in Twin, Quad and
multiple feed universal LNB switch to get lower cost and minimum PCB size.
In order to satisfy the special LNB switch model, a tighter
specification has been taken into consideration for the polarization
switch characteristics. The number of external components is also
reduced. The UTC L8312 includes separate 22K tone detection for
each channel. In addition, the built-in tone amplifier circuit is
designed to protect transient signal by an external resistor and
capacitor simply, and it also provides good bandwidth and sensitivity.
The UTC L8312 is generally applied in multi output LNB and multi switch.
FEATURES
* Direct Drive PIN Diode and Multiplexer IC.
* High Supply Voltage
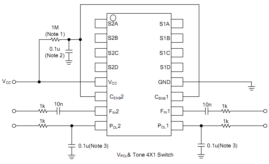
TYPICAL APPLICATION CIRCUITS
 |