COMPLEMENTARY OUTPUTS HALL EFFECT LATCH IC
DESCRIPTION
The UTC UH378 is a Latch-Type Hall Effect sensor with
built-in complementary output drivers. It’s composed of internal
temperature compensation circuit and built-in protection diode to
prevent reverse power fault. It is aimed for brush-less DC Fan.
The outputs of the UH378 operate as the Hysteresis
Characteristics. The Outputs alternately switch between ON and
OFF when either the magnetic flux density is larger than threshold
BOP or the magnetic flux density is lower than BRP.
FEATURES
* Widen Power Supply range from 3V ~ 20V.
* On-chip Hall sensor with excellent hysteresis.
* Build-in reverse protection diode.
* TTL and MOS IC are directly drivable by the output
* The life is semi permanent because it employs contact-less parts
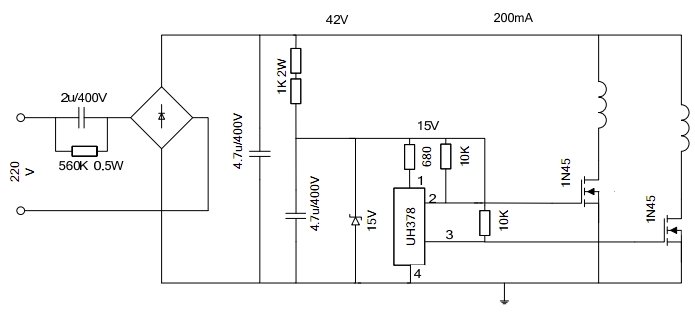
TYPICAL APPLICATION CIRCUIT

|